继苹果推出无线耳机AirPods后,国内外便掀起了TWS蓝牙耳机的热潮,TWS(True Wireless Stereo 真无线立体声)蓝牙耳机迅速进入大众视野。?,
,而对于TWS蓝牙耳机来说充电盒是标配,充电盒除了能为其提供电力,还能很方便的将它收纳存放。?,目前,市场的蓝牙耳机充电盒芯片解决方案主要是双模方案,即在耳机端做音频和弹窗功能,该方案存在以下几个弊端:?,1、弹窗推送不及时?,双模方案中,音频优先级比弹窗优先级高,也就是左耳和右耳有一定交互后才开始弹窗功能。?,2、耳机适配性差?,双模方案,音频使用的是经典蓝牙,而弹窗功能是BLE来实现。也就是说耳机必须使用蓝牙4.0或以上版本的芯片才可以。?,3、充电盒电量显示不真实?,双模方案,由于只有一个芯片在耳机中, 跟充电盒电量没有接触点,无法检测到充电盒的电压。?,
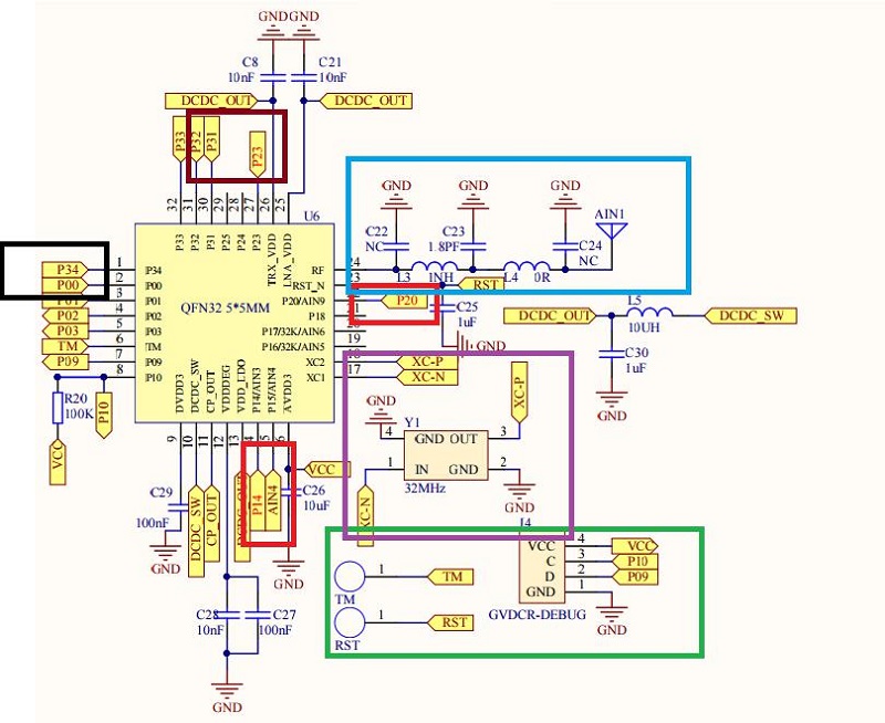
,云里物里TWS蓝牙耳机充电盒解决方案完美的解决了以上弊端:?,1、弹窗与音频分开,音频和弹窗可并行,弹窗推送反应快;?,2、将BLE部分单独分开,对耳机部分没有要求,只要手机支持,所有蓝牙耳机都可以使用此充电盒解决方案来实现弹窗功能和电量推送,适配性强;?,3、因为是直接连接到充电盒的电源的,所以可以直接检测到电池电压,电量真实。?,云里物里TWS蓝牙耳机充电盒解决方案采用M1805 BLE芯片来实现,芯片及其外围设计如下(颜色框线对应内容说明):?,
,蓝色:RF电路。?,紫色:晶振,为节省成本和空间,省去了32.768khz的晶振,32M晶振供芯片主频和RF使用。?,绿色:烧录引脚需引出,方便修改固件。,红色:充电盒电量检测和耳机电量检测引脚。耳机需跟充电盒有触点,才可以检测。?,棕色:RGB灯引脚,按照Airpod设计颜色指示状态。?,黑色:P00 用于霍尔开关,P34用于控制耳机是否充电。?,此解决方案包含了霍尔开关控制,充电盒和耳机电池电量检测,RGB灯状态指示部分。在固件中也有做功能开发。如果不需要这些功能,如RGB灯状态指示,可不接相对应的引脚。
上一篇:
云里物里新款超薄智能防丢器F5,了解一下
下一篇:
云里物里第十二届国际物联网展备受瞩目

